日本脉冲马达NPM线性步进电机PFL20-24Q4(120)

产品目录
日本脉冲马达NPM线性步进电机PFL20-24Q4(120)

日本脉冲马达NPM线性步进电机PFL20-24Q4(120)

产品说明:

线性步伐系列有了新阵容。

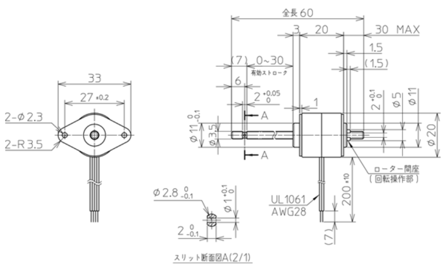
电机外径:20毫米

螺距:0.48毫米

分辨率:0.02毫米/步长

提供两种类型:30毫米和60毫米。

它可用于分配、移液器、泵、风门、电磁阀和空气设备更换。

788cedde-bd9f-4c4a-9bc1-921deaacaf74.png

d7186062-234f-4263-a779-0a58aaae8b50.png

技术支持
我们将帮助您来充分体验我们产品的强大功能
搜索您的疑问
我们将所有已解决的问题存储在解决方法数据库中,
您可尝试搜索关键字、词或短语查找。