日本KYOWA共和电业LUXT-A负载传感器拉伸压缩

产品目录
日本KYOWA共和电业LUXT-A负载传感器拉伸压缩

日本KYOWA共和电业LUXT-A负载传感器拉伸压缩

产品说明:

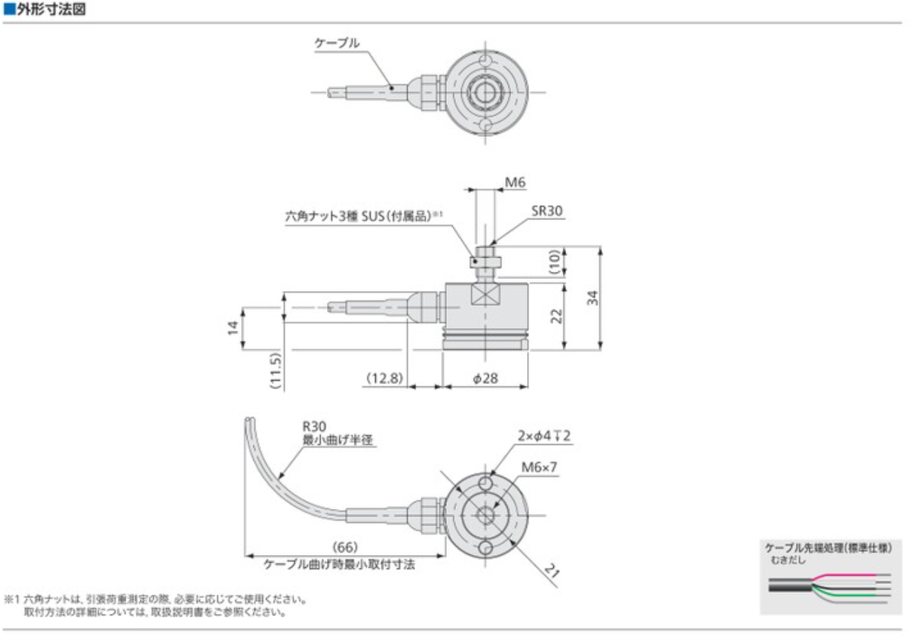
该负载传感器可在195°C高温范围内连续使用,无需外部冷却。

它们体积小且轻便,承重部件采用螺纹设计,便于集成到设备中。

额定容量:±500牛顿~±2千牛。

直径:28毫米。

非线性:RO在±0.5%。

493c98a3-d10d-49a3-9861-9bca740fd9cb.png

e278ee08-9fd6-4218-8c9a-461c3bf91cdd.png

技术支持
我们将帮助您来充分体验我们产品的强大功能
搜索您的疑问
我们将所有已解决的问题存储在解决方法数据库中,
您可尝试搜索关键字、词或短语查找。