首页
关于我们
公司简介
产品中心
新闻资讯
行业新闻
公司动态
人才招聘
联系我们
首页
关于我们
公司简介
产品中心
新闻资讯
行业新闻
公司动态
人才招聘
联系我们
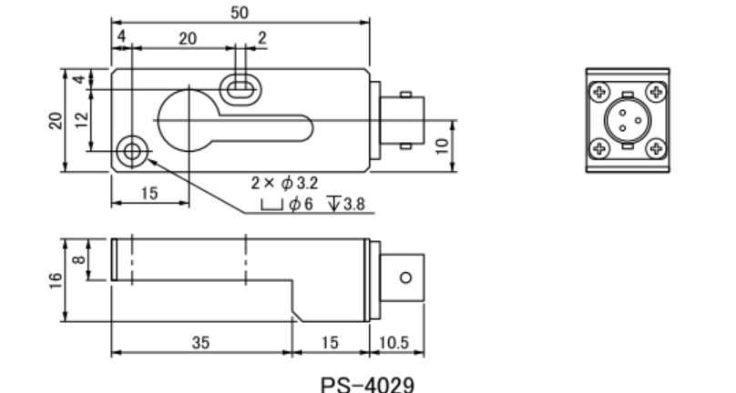
日本杉山电机SUGIYAMA传感器检测探头PS-4029
首页
产品中心
日本SUGIYAMA杉山电机
产品目录
日本AITEC艾泰克
日本TORAY东丽
日本THINKY新基
日本NICHIRYO立洋
日本SUN-KAGAKU太阳科学
日本SUGIYAMA杉山电机
日本PROTEC
日本TOADKK东亚电波
日本THOMAS托马斯科学
日本SANKO三高
日本ADCMT爱德万
日本DIC
日本JIKCO
日本FUJIKIN富士金
日本ASAHI YUKIZAI旭有机材
日本ULVAC爱发科
日本NIKKATO日陶
日本EBARA荏原
日本KYOWA共和電業
日本TANAKA田中科学
日本MAKE
日本SUZUKEN铃研
日本MEITECH美泰克
日本CHUORIKA中央理化
日本SERIC索莱克
日本KELK
日本KPI小池精密
日本SHINAGAWA品川
日本KOTOHIRA琴平工业
日本REVOX莱宝克斯
日本SONIC
日本INFLIDGE英富丽
日本KASUGA春日电机
日本TRINC高柳
日本SAKAGUCHI坂口电热
日本MTL微电机
日本T-DYLEC
日本DYLEC
日本ASAHI-RIKA旭理化
日本ASHIZAWA芦泽精工
日本KODAIRA小平制作所
日本ITABASHI-RIKA板桥理化
日本APEL阿佩尔
日本AMENA
日本NPM脉冲马达
日本DAIICHINEKKEN第一热研
日本OTSUKA大塚电子
日本杉山电机SUGIYAMA传感器检测探头PS-4029
在线咨询
>
产品预定
>
产品说明:
有大量传感器头,以适应各种模具。
所有电气特性完全相同,仅在外部尺寸上有所不同。
技术支持
我们将帮助您来充分体验我们产品的强大功能
搜索您的疑问
我们将所有已解决的问题存储在解决方法数据库中,
您可尝试搜索关键字、词或短语查找。
向我们提问
查看常见问题
联系在线客服